![]() | male both ends in tube OD sizes For direct assembly into mechanical ports and flanges or into female BRAZETYTE® expansions. Can be used as a butt-weld fitting. | ![]() |
# | O.D. | TUBE WALL | R | |
| 45MM-4 | 1/4 | .025 | 3/8 | 19/32 |
| 45MM-5 | 5/16 | .025 | 15/32 | 5/8 |
| 45MM-6 | 3/8 | .028 | 9/16 | 21/32 |
| 45MM-8 | 1/2 | .032 | 3/4 | 25/32 |
| 45MM-10 | 5/8 | .035 | 15/16 | 1 |
| 45MM-12 | 3/4 | .042 | 1-1/8 | 1-7/32 |
| 45MM-16 | 1 | .049 | 1-1/2 | 1-19/32 |
| 45MM-20 | 1-1/4 | .049 | 1-7/8 | 1-27/32 |
| 45MM-24 | 1-1/2 | .049 | 2-1/4 | 2-1/16 |
![]() | male one end in tube OD size, female expansion one end For direct assembly into machined ports or into female BRAZETYTE® expansions, female end will accept tube OD or male end of BRAZETYTE® fitting. When connecting different OD sizes, either the 5MF reducer or the 10MF expander can be employed. | ![]() |
# | O.D. | TUBE WALL | R | ||
| 45MF-4 | 1/4 | .025 | 3/8 | 19/32 | 17/32 |
| 45MF-5 | 5/16 | .025 | 15/32 | 5/8 | 9/16 |
| 45MF-6 | 3/8 | .028 | 9/16 | 21/32 | 5/8 |
| 45MF-8 | 1/2 | .032 | 3/4 | 25/32 | 25/32 |
| 45MF-10 | 5/8 | .035 | 15/16 | 1 | 1 |
| 45MF-12 | 3/4 | .042 | 1-1/8 | 1-7/32 | 1-7/32 |
| 45MF-16 | 1 | .049 | 1-1/2 | 1-19/32 | 1-19/32 |
| 45MF-20 | 1-1/4 | .049 | 1-7/8 | 1-27/32 | 1-27/32 |
| 45MF-24 | 1-1/2 | .049 | 2-1/4 | 2-1/16 | 2-1/16 |
![]() | female expansions both ends Used as a coupling. Both ends will accept either tube OD or male end of BRAZETYTE® fitting. When connecting different OD sizes, either the 5MF reducer or the 10MF expander should be employed. | ![]() |
# | O.D. | TUBE WALL | R | |
| 45FF-4 | 1/4 | .025 | 3/8 | 17/32 |
| 45FF-5 | 5/16 | .025 | 15/32 | 9/16 |
| 45FF-6 | 3/8 | .028 | 9/16 | 5/8 |
| 45FF-8 | 1/2 | .032 | 3/4 | 25/32 |
| 45FF-10 | 5/8 | .035 | 15/16 | 1 |
| 45FF-12 | 3/4 | .042 | 1-1/8 | 1-7/32 |
| 45FF-16 | 1 | .049 | 1-1/2 | 1-19/32 |
| 45FF-20 | 1-1/4 | .049 | 1-7/8 | 1-27/32 |
| 45FF-24 | 1-1/2 | .049 | 2-1/4 | 2-1/16 |
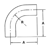
![]() | male both ends in tube OD sizes For direct assembly into machined ports and flanges or into female BRAZETYTE® expansions. Can be used as a butt-weld fitting. | ![]() |
# | O.D. | WALL | R | |
| 90MM-4 | 1/4 | .025 | 3/8 | 13/16 |
| 90MM-5 | 5/16 | .025 | 15/32 | 29/32 |
| 90MM-6 | 3/8 | .028 | 9/16 | 1 |
| 90MM-8 | 1/2 | .032 | 3/4 | 1-1/4 |
| 90MM-10 | 5/8 | .035 | 15/16 | 1-1/2 |
| 90MM-12 | 3/4 | .042 | 1-1/8 | 1-7/8 |
| 90MM-16 | 1 | .049 | 1-1/2 | 2-15/32 |
| 90MM-20 | 1-1/4 | .049 | 1-7/8 | 2-15/16 |
| 90MM-24 | 1-1/2 | .049 | 2-1/4 | 3-13/32 |
![]() | male one end in tube OD size, female expansion one end For direct assembly into machined ports or into female BRAZETYTE® expansions, female end will accept tube OD or male end of BRAZETYTE® fitting. When connecting different OD sizes, either the 5MF reducer or the 10MF expander can be employed. | ![]() |
# | O.D. | WALL | R | ||
| 90MF-4 | 1/4 | .025 | 3/8 | 13/16 | 3/4 |
| 90MF-5 | 5/16 | .025 | 15/32 | 29/32 | 27/32 |
| 90MF-6 | 3/8 | .028 | 9/16 | 1 | 15/16 |
| 90MF-8 | 1/2 | .032 | 3/4 | 1-1/4 | 1-1/4 |
| 90MF-10 | 5/8 | .035 | 15/16 | 1-1/2 | 1-1/2 |
| 90MF-12 | 3/4 | .042 | 1-1/8 | 1-7/8 | 1-7/8 |
| 90MF-16 | 1 | .049 | 1-1/2 | 2-15/32 | 2-15/32 |
| 90MF-20 | 1-1/4 | .049 | 1-7/8 | 2-15/16 | 2-15/16 |
| 90MF-24 | 1-1/2 | .049 | 2-1/4 | 3-13/32 | 3-13/32 |
![]() | female expansions both ends Both ends will accept either tube OD or male end of BRAZETYTE® fittings. When connecting different OD sizes, either the 5MF reducer or the 10MF expander should be employed. | ![]() |
# | O.D. | WALL | R | |
| 90FF-4 | 1/4 | .025 | 3/8 | 3/4 |
| 90FF-5 | 5/16 | .025 | 15/32 | 27/32 |
| 90FF-6 | 3/8 | .028 | 9/16 | 15/16 |
| 90FF-8 | 1/2 | .032 | 3/4 | 1-1/4 |
| 90FF-10 | 5/8 | .035 | 15/16 | 1-1/2 |
| 90FF-12 | 3/4 | .042 | 1-1/8 | 1-7/8 |
| 90FF-16 | 1 | .049 | 1-1/2 | 2-15/32 |
| 90FF-20 | 1-1/4 | .049 | 1-7/8 | 2-15/16 |
| 90FF-24 | 1-1/2 | .049 | 2-1/4 | 3-13/32 |
Note:Only items priced in the current price list are carried in stock.
Price and delivery schedule on non-stock items will be furnished on request based on quantity ordered.